Hàng chính hãng 100% dây đồng.
Bảo hành 4 năm, 1 năm đầu lỗi đổi mới.
Hỗ trợ giao hàng trên toàn quốc.
Gọi ngay 0986.203.203 để có báo giá tốt nhất.
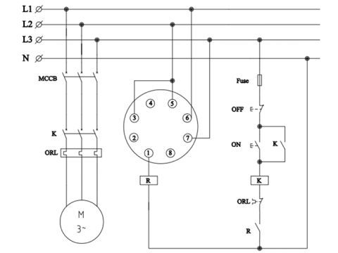
Trong hệ thống điện 3 pha, thông dụng nhất là dùng động cơ 3 pha. Sự cố mất dây pha là sự cố nghiêm trọng gây ra hỏng hóc tương đối lớn cho thiết bị điện. Vì vậy chúng ta phải nhất thiết có biện pháp bảo vệ thiết bị trong tình huống mất dây pha. Cách xử lý phổ biến thông dụng nhất là ngắt nguồn cấp để hoãn thiết bị (động cơ) khi nguồn điện bị mất dây pha.

Ta cần phải phối hợp nhiều thiết bị bảo vệ trong hệ thống điện thì mới bảo vệ được tránh mất pha. Rơ le bảo vệ mất pha là thiết bị chủ chốt cảnh báo sự cố mất pha, tín hiệu cảnh báo được thể hiện qua sự tác động của tiếp điểm ở rơ le. Trạng thái tiếp điểm của Rơ le được dùng để hoãn thiết bị cấp điện cho máy móc như máy hàn, máy cắt, Aptomat,…
Là 1 thiết bị sử dụng để phát hiện sự cố mất dây pha để đưa ra dấu hiệu cảnh báo thông qua tiếp điểm ở Rơ le. Rơ le bảo vệ mất pha có duy nhất 1 chức năng cảnh báo sự cố chứ không có tham gia trực tiếp bảo vệ được thiết bị điện hoặc ngắt nguồn cấp điện. Vì lý do đó ta cần phải kết hợp dùng rơ lơ bảo vệ mất pha với thiết bị khác như Aptomat, contactor,…
Hầu hết các Rơ le bảo vệ mất pha đều tích hợp chức năng bảo vệ như: thấp áp, quá áp giúp ta điều chính được độ ngưỡng điện áp và thời gian tác động. Một số rơ le khác còn có các chức năng khác như bảo vệ ngược pha, thứ tự pha, cân bằng pha.

Điện áp 3 pha sẽ được cấp vào 3 cực của Rơ le.
Tiếp điểm thường sẽ đóng của Rơ le bảo vệ mất pha được đấu vô cuộn hút Contactor cấp nguồn điện cho cuộn hút để đóng Contactor ở điều kiện thường, thiết bị sẽ hoạt động khi được cấp điện. Khi xảy ra sự cố mất dây pha thì tiếp điểm trạng thái của Rơ le sẽ bị hở ra. Đồng thời sẽ ngắt điện của cuộn hút làm cho Contactor nhả ra để ngắt nguồn điện cấp vào thiết bị điện.
Video giới thiệu sản phẩm:
|
⭐️Dây đồng 100% |
✅ Sản phẩm được sản xuất với 100% dây đồng, có độ bền cao, chạy êm, tiết kiệm điện |
|
⭐️Cam kết chính hãng |
✅ Hàng chính hãng, mới 100%, nguyên đai nguyên kiện. Không bán hàng giả, hàng nhái, hàng kém chất lượng |
|
⭐️Bảo hành chu đáo |
✅ Chế độ bảo hành 04 năm, đổi mới trong 01 năm đầu. |
|
⭐️Hỗ trợ lắp đặt |
✅ Hỗ trợ lắp đặt với các máy công suất lớn☞ Nhận bao thầu các dự án lớn trong và ngoài nước |
|
⭐️Vận chuyển toàn quốc |
✅ Miễn phí vận chuyển toàn quốc, nhận hàng trước thanh toán sau |
|
⭐️Sản xuất theo yêu cầu |
✅ Sản xuất các dòng máy khác quy cách theo yêu cầu |
Để được tư vấn, hỗ trợ và đặt hàng, quý khách hàng vui lòng liên hệ :
Số 720, đường Phúc Diễn, Nam Từ Liêm, Hà Nội
Hotline: 0986.203.203
Website: Standavietnam.com
E-mail : vietnamlitanda@gmail.com