Hàng chính hãng 100% dây đồng.
Bảo hành 4 năm, 1 năm đầu lỗi đổi mới.
Hỗ trợ giao hàng trên toàn quốc.
Gọi ngay 0986.203.203để có báo giá tốt nhất.
Đối với mạng điện 3 pha công nghiệp thì hiện tượng mất nhiều hay một pha, thấp áp, quá áp,… đều có thể xảy ra. Sau đó, thường dẫn theo rất nhiều thiệt hại về máy móc hoặc giảm tuổi thọ của thiết bị.
Nhiều nhà sản xuất như Schneider, Samwha, JKN,… đã cho ra đời nhiều dòng sản phẩm để bảo vệ, rất nhỏ gọn và tính năng cao để đáp ứng được nhu cầu đó.
Cách lắp Rơ le thường được chia ra 2 dòng như sau:

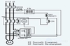
Chú thích:
MC vòng ngoài phía tay trái là 3 tiếp điểm động lực của Contactor.
MC trong vòng phía tay phải là gồm tiếp điểm A1-A2 của cuộn coil (cuộn hút) Contactor.
R,S,T sẽ được đấu trực tiếp vào dây 3 pha.
Load là dòng tải (thiết bị sử dụng).
Còn ở phần điều khiển, ta xài tiếp điểm thường đóng (98,95) nối như hình vẽ Rơ le phát hiện mất dây pha thì sẽ ngay lập tức chuyển thành thường hở ngắt cuộn hút của Contactor ra. Ba tiếp điểm thường hở của Contactor sẽ ngắt tải ra trước khi bị hư hại.

Chú thích:
M là dòng tải (có thể được coi là thiết bị điện hay động cơ)
EOCR là Rơ le bảo vệ mất pha.
Tr là biến áp giảm điện áp từ 380V xuống còn 220V. Nếu ta có nguồn 220 rồi thì không cần dùng đến biến áp.
MC ngoài vòng phía tay trái là 3 tiếp điểm động lực của Contactor.
Mc trong vòng ở phía tay phải là tiếp điểm A1-A2 của cuộn coil (cuộn hút) Contactor.
Ở phần điều khiển ta sẽ dùng tiếp điểm thường hở (98,95) nối như hình vẽ.
Cấp A1-A2 (Chính là nguồn nuôi của Rơ le mất pha).
Trong điện 3 pha, ta sẽ móc 2 dây động lực đi qua 2 biến dòng của Rơ le.
Video giới thiệu sản phẩm:
|
⭐️Dây đồng 100% |
✅ Sản phẩm được sản xuất với 100% dây đồng, có độ bền cao, chạy êm, tiết kiệm điện |
|
⭐️Cam kết chính hãng |
✅ Hàng chính hãng, mới 100%, nguyên đai nguyên kiện. Không bán hàng giả, hàng nhái, hàng kém chất lượng |
|
⭐️Bảo hành chu đáo |
✅ Chế độ bảo hành 04 năm, đổi mới trong 01 năm đầu. |
|
⭐️Hỗ trợ lắp đặt |
✅ Hỗ trợ lắp đặt với các máy công suất lớn☞ Nhận bao thầu các dự án lớn trong và ngoài nước |
|
⭐️Vận chuyển toàn quốc |
✅ Miễn phí vận chuyển toàn quốc, nhận hàng trước thanh toán sau |
|
⭐️Sản xuất theo yêu cầu |
✅ Sản xuất các dòng máy khác quy cách theo yêu cầu |
Để được tư vấn, hỗ trợ và đặt hàng, quý khách hàng vui lòng liên hệ :
Số 720, đường Phúc Diễn, Nam Từ Liêm, Hà Nội.
Hotline: 0986.203.203
Website: Standavietnam.com
E-mail : vietnamlitanda@gmail.com